Вспомогательные насосы LP
11.00 Br
Погружные насосы для канализации WQ
111.00 Br
Промышленные повысительные насосы LPm
11.00 Br
Характеристики повысительных насосов LPm
— Чугунный корпус насоса и корпус с специальным антикоррозионным покрытием
— Вал AISI 304
— Температура жидкости: 2 — 100℃
Характеристики двигателя насосов LPm
— Класс изоляции:F
— Класс защиты: IP 44
Категории: Промышленные насосы, Вспомогательные насосы
Описание
Применение
-Промышленные повысительные насосы LPm подходят для повышения давления горячей воды под воздействием солнечной энергии в саунах и ванных. Данное насосное оборудование решает проблему недостаточно высокого уровня воды в высотных зданиях.
–Повысительные насосы используются в водоснабжении (минее 100℃) для двух домов.

| Модель | Мощность | Q м³/ч | 0 | 1.5 | 3 | 4.5 | 6 | 7.5 | 9 | 10.5 | 12 | 13.5 | 15 | 16.5 | 18 | 19.5 |
| кВт | Q л/ч | 0 | 25 | 50 | 75 | 100 | 125 | 150 | 175 | 200 | 225 | 250 | 275 | 300 | 325 | |
| LPm125 | 0.125 | H (м) | 5.5 | 5 | 4.8 | 3.8 | 3 | 1.7 | - | - | - | - | - | - | - | - |
| LPm250 | 0.25 | 5.5 | 5.2 | 5.1 | 4.9 | 4.6 | 4.2 | 3.5 | 2.8 | 2 | - | - | - | - | - | |
| LPm370 | 0.37 | 8 | 7.9 | 7.8 | 7.5 | 7.2 | 6.7 | 6.2 | 5.6 | 4.8 | 4 | 3.3 | 2.3 | - | - | |
| LPm550 | 0.55 | 19 | 19 | 18.9 | 18 | 17 | 16 | 14.9 | 13.7 | 12.4 | 11.2 | 9.8 | 8.5 | 6.6 | 4 |
| Модель | Мощность | Q м³/ч | 0 | 0.6 | 1.2 | 1.8 | 2.4 | 3.0 | 3.6 | 4.2 | 4.8 | 5.4 | 6.0 | 6.6 |
| кВт | Q л/ч | 0 | 10 | 20 | 30 | 40 | 50 | 60 | 70 | 80 | 90 | 100 | 110 | |
| LPm370HA | 0.37 | H (м) | 21 | 20.6 | 18.5 | 16 | 13.4 | 10 | 5.5 | - | - | - | - | - |
| LPm750HA | 0.75 | 30.8 | 30.7 | 30 | 29.5 | 28.3 | 26.3 | 24.4 | 22 | 19 | 16.2 | 13.2 | 9.4 |


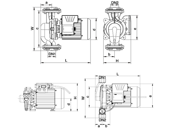
| Модель | DN1 | DN2 | Д (мм) | Ш (мм) | В (мм) | a (мм) | b (мм) | c (мм) | d (мм) | e (мм) |
| LPm125 | 1 1/2" | 1 1/2" | 275 | 260 | 186 | 47 | 74 | 210 | ∅ 141 | 160 |
| LPm250 | 2" | 2" | 301 | 313 | 190 | 71 | 78 | 260 | ∅ 141 | 164 |
| LPm370 | 2 1/2" | 2 1/2" | 367 | 334 | 195 | 77 | 84 | 280 | ∅ 141 | 173 |
| LPm550 | 2" | 2" | 369 | 344 | 210 | 81 | 87 | 280 | ∅ 165 | 182 |
| LPm370HA | 1" | 1" | 295 | 270 | 209 | 43 | 60 | 124 | ∅ 95 | 141 |
| LPm750HA | 1" | 1" | 341 | 310 | 220 | 54 | 59 | 160 | ∅ 98 | 166 |

| No | Деталь | Материал |
| 1 | Фланец | HT200 |
| 2 | Корпус насоса | HT200 |
| 3 | Фланцевое уплотнение | |
| 4 | Импеллер | PPO |
| 5 | Торцевое уплотнение | Графит/ Керамика |
| 6 | O-образное уплотнительное кольцо | |
| 7 | Опора | HT200 |
| 8 | Подшипник | |
| 9 | Ротор | |
| 10 | Статор | |
| 11 | Клеммная коробка | ABS |
| 12 | Конденсатор | |
| 13 | Крышка клеммной коробки | |
| 14 | Задняя крышка | ZL 102 |
| 15 | Вентилятор | PP |
| 16 | Кожух вентилятора | 08F |

| No | Деталь | Материал |
| 1 | Корпус насоса | HT200 |
| 2 | Импеллер | PPO |
| 3 | O-образное уплотнительное кольцо | |
| 4 | Опора | HT200 |
| 5 | Подшипник | |
| 6 | Ротор | |
| 7 | Торцевое уплотнение | Графит/ Керамика |
| 8 | Переключатель управления | |
| 9 | Статор | |
| 10 | Клеммная коробка | ABS |
| 11 | Конденсатор | |
| 12 | Крышка клеммной коробки | |
| 13 | Задняя крышка | ZL 102 |
| 14 | Вентилятор | PP |
| 15 | Кожух вентилятора | 08 F |
Отзывы (0)
Будьте первым, кто оставил отзыв на “Промышленные повысительные насосы LPm” Отменить ответ
Похожие товары
Горизонтальные центробежные насосы из нержавеющей стали ECH-F
2.00 Br
Характеристики насоса
- Вал из стали AISI 304
-Макс. температура жидкости: +60℃
-Высота: до 1000м
-Макс. высота всасывания: 8м
-Макс. давление всасывание: ограничено максимальным рабочим давлением
-Max. operation pressure: 10 bar
-PH величина жидкости: 6.5-8.5
Характеристики двигателяIE2 motor
-Двигатель с медной обмоткой
-Однофазный двигатель со встроенным тепловым предохранителем
-Класс изоляции: F
-Степень защиты: IPX4
-Макс. температура окружающей среды: +40℃
Моноблочные центробежные насосы XST
4.00 Br
Рабочие условия для стандартных центробежных насосов XST:
- Производительность: до 220 м3/ч
- Напор: до 95 м
- Температура жидкости: - 10 to 85℃
- Максимальное рабочее давление: 12 бар (PN12)
- Рабочее колесо: AISI 304/ HT 200
- Торцевое уплотнение в соответствии с DIN 24960
- Смазывание внутренней рециркулируемой жидкостью
- Контрфланец доступен по запросу
Характеристики двигателя стандартных центробежных насосов XST:
- Закрытая конструкция, наружная вентиляция
- Класс изоляции: F
- Степень защиты: IP 54
- производительность согласно стандартам CEI 2-3 (IEC 34.1)
- Максимальная температура окружающей среды: +40℃
- Защита от перегрузки
Конструктивные детали
Одноступенчатый центробежный насос характеризуется продольным всасыванием и радиальным нагнетанием
Диаметр входного и выходного отверстий соответствует стандартам EN 733(кроме DNI 24255)и UNI 7467
Фланцы соответствуют стандартам UNI 2236 и DIN 2532
Заднее входное отверстие (рабочее колесо и двигатель могут быть вынуты без отсоединения насоса от труб)
Моноблочные центробежные насосы XZS
4.00 Br
Рабочие условия стандартных центробежных насосов XZS:
- Негустая, чистая, невоспламеняемая и невзрывоопасная жидкость с включением твердых частиц и волокон
- Температура жидкости: - 15 ~ +80℃
- Диапазон потока: 0.7 ~132 м3/ч
- Диапазон напора: 9 ~58 m
- Температура окружающей среды: -15 ~ +40℃
- Максимальное рабочее давление: 33 бар
- Высота: до 1000 м
Характеристики двигателя
- Двигатель IE 2 (двигатель IE 3 по запросу)
- Полностью герметизированный и охлаждаемый воздухом
- Класс изоляции: IP 55
- Степень защиты: F
Температура окружающей среды
Максимальная температура окружающей среды: +40°C. Для использования насоса при температуре выше 40°C либо в случае эксплуатации на высоте выше 1000 м над уровнем моря, требуется более мощный двигатель. В связи с низкой плотностью воздуха и плохой вентиляцией мощность P2 двигателя уменьшится. Смотри рисунок ниже. Например, когда насос установлен на высоте более 3500 м над уровнем моря, значение P2 сокращается на 88%. В условиях температуры окружающей среды 70°C, значение P2 сокращается на 78%.
Погружной канализационный насос из нержавеющей стали серии XSP 2HP
222.00 Br
Насос
- Макс. глубина погружения: 5м
- Макс. температура жидкости: +40℃
- Значение PH жидкости: 4-10
- Кинематическая вязкость жидкости: 7x107~23x104 м³/с
- Макс. плотность жидкости: 1.2x10³кг/м³
Двигатель
- Медная перемотка
- Встроенный тепловой протектор
- Сварной вал из нержавеющей стали
-Класс изоляции: B
-Степень защиты: IP68
Погружные насосы для канализации из нержавеющей стали XSP 0.25л.с. 0.33л.с.
222.00 Br
Насос
- Макс. глубина погружения: 5 м.
- Макс. температура перекачиваемой жидкости: +40°C.
- Уровень PH перекачиваемой жидкости: 4-10.
- Кинематическая вязкость: 7x10-7 ~ 23x10-6 м2/с.
- Макс. плотность перекачиваемой жидкости: 1.2x103 кг/м3.
Мотор
- Медная обмотка.
- Встроенное тепловое реле.
- Сварной вал из нержавеющей стали.
- Класс нагревостойкости: B.
- Степень защиты: IP68.
Установки повышения давления BWS
1.00 Br
Рабочие условия
- Мощность: 380 В, 50 Гц (60 Гц по запросу)
- Температура окружающей среды: 4 - 40°C
- Рабочая среда: Чистая вода либо другие жидкости со сходными физическими и химическими свойствами
- Значение PH: 5 - 9
- Температура перекачиваемой жидкости: 0 - 70°C
- Высота над уровнем моря: до 1000 м
Центробежные Консольные центробежные насосы LEP LEN
7.00 Br
Условия функционирования центробежных насосов с односторонним всасыванием LEP LEN
Насос разработан в соответствии со стандартами BS EN 733/DIN 24255.
Характеристики перемещаемой жидкости: низкая вязкость, невоспламеняемость, невзрывоопасность, отсутствие твердых частиц или волокон
Скорость: 1450/2900 об/мин при 50 Гц, 1750/3500 об/мин при 60 Гц
Диапазон расхода : 0.5 - 440 л/сек
Диапазон напора : 2 - 152 м
Максимальная температура жидкости: 105°C
Уровень pH жидкости: 4 - 10
Максимальное рабочее давление: 10 бар, 16 бар по запросу
Центробежные насосы с разъемным корпусом
8.00 Br

Отзывы
Отзывов пока нет.